Каталог
Купить в лизинг Сравнить Избранное
Модель:
CNC-1500HV
Производитель: GSA
  • Описание
  • Комментарии
  • Отзывы

Поворотные столы большого диаметра могут устанавливаться как вертикально, так и горизонтально. Высокая точность и жесткость позволяют использовать столы и при силовом резании, и в метрологических целях.

Комбинация высокоточного червячного колеса из бронзо-никелевого сплава и стального закаленного червяка обеспечивают длительное сохранение точности позиционирования.

Многоточечная гидравлическая тормозная система обеспечивает превосходное усилие зажима, исключающее вибрацию при силовом резании. Параметры стола могут быть изменены по отдельному заказу.


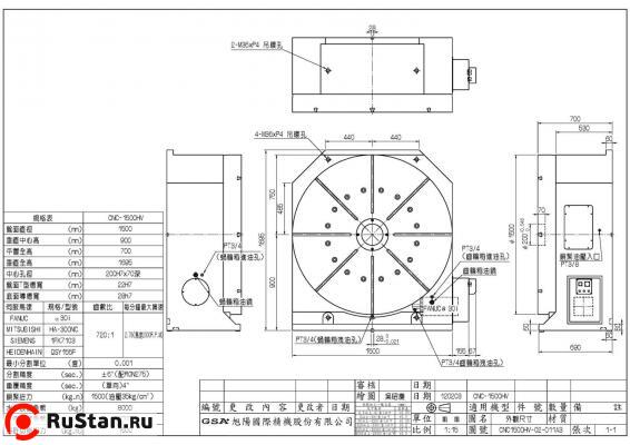
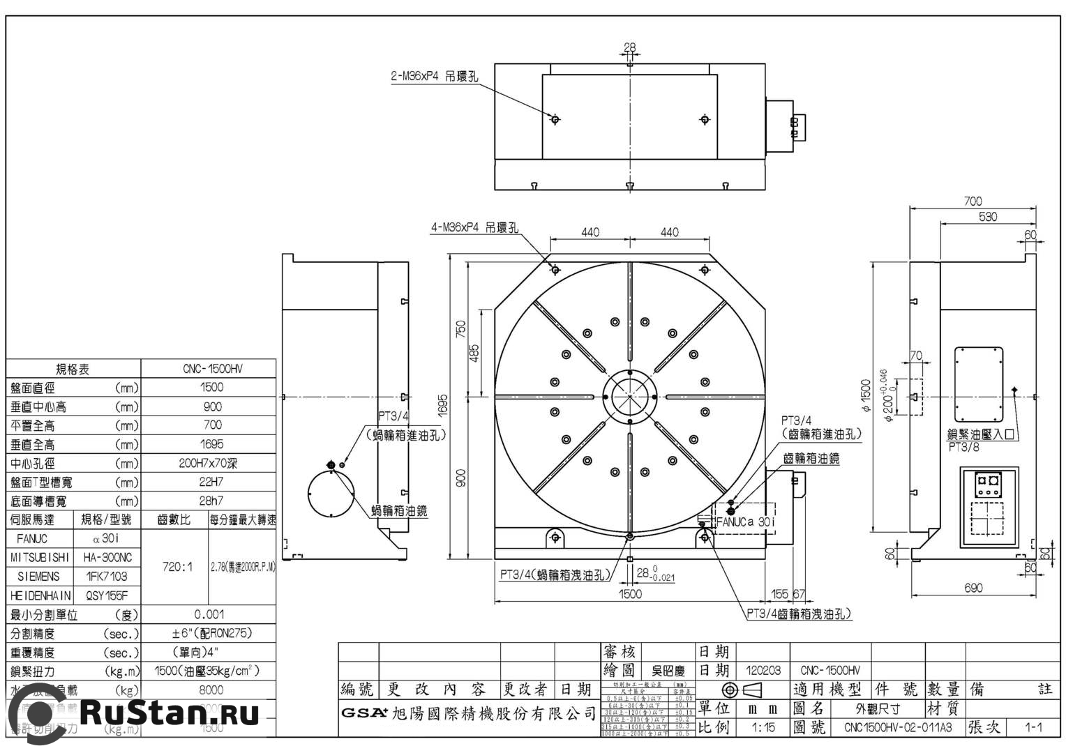
Технические характеристики CNC-1500HV

Параметр Ед. изм. Значение
Диаметр мм 1500
Высота центров при вертикальной установке мм 900
Высота центров при горизонтальной установке мм 700
Общая высота при вертикальной установке мм 1695
Вес CNC-1500HV нетто (без двигателя) кг 6000
Центральное отверстие мм 200x70
Ширина Т-пазов мм 22Н7
Ширина направляющего сухаря мм 28Н7
Сервомотор MELDAS тип HF-453S
Сервомотор FANUC тип a30i
Сервомотор SIEMENS тип 1FK7103
Сервомотор HEIDENHAIN тип QSY155F
Передаточное число 1:720
Минимальный угол град 0,001
Максимальные обороты об/мин 2.78
Усилие гидрозажима кг*м 15000
Точность позиционирования (с энкодером) ±5”
Повторяемость (с энкодером) с 4”
Макс. усилие обработки кг*м 600

Максимальные нагрузки
Параметр Схема Ед. изм. Значение
Максимальная вертикальная нагрузка Максимальная вертикальная нагрузка кг W = 3000
Максимальная горизонтальная нагрузка Максимальная горизонтальная нагрузка кг W = 8000
Максимальное радиальное усилие Максимальное радиальное усилие кг F = 7000
Максимальное радиальное усилие Максимальное радиальное усилие кг*м FxL = 1500
Максимальное радиальное усилие Максимальное радиальное усилие кг*м FxL = 3000

Комментарии и вопросы:

Комментариев пока нет, но ваш может быть первым.
Разметить комментарий или вопрос

Отзывы о CNC-1500HV:

Отзывов пока нет, но ваш может быть первым.

Компания-изготовитель оставляет за собой право на изменение комплектации и места производства товара без уведомления!

Обращаем Ваше внимание на то, что информация на сайте не является публичной офертой!

Обозначение GSA используется исключительно для идентификации товаров соответствующего производителя. ООО "Компания "РуСтан" не является правообладателем товарного знака GSA и не аффилировано с правообладателем.

Вверх