Двухосевой поворотный стол с наклоном от ЧПУ CNCT-630 GSA+
| Модель: | ![]() |
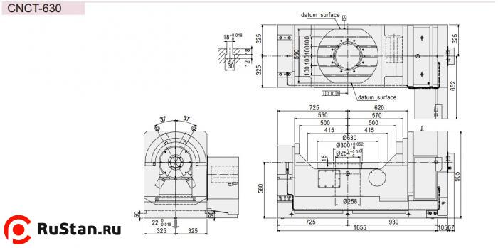
CNCT-630 |
| Производитель: | ![]() |
GSA |
Компактный дизайн позволяет устанавливать на станки с длиной стола от 1 м. Простая установка на традиционные 3-осевые станки. С помощью 1-осевого контроллера GSA+, подключаемого к системе ЧПУ через М-коды для программируемого наклона стола, можно производить 5-осевую обработку без изменения конструкции станка и его электрооборудования.
По требованию заказчика стол может быть оснащен как гидравлическим, так и пневматическим зажимным устройством. Для повышения точности позиционирования может быть установлен фотоэлектрический датчик.
Технические характеристики CNCT-630 | ||
|---|---|---|
| Параметр | Ед. изм. | Значение |
| Диаметр | мм | 630 |
| Высота центра | мм | 580 |
| Общая высота | мм | 905 |
| Вес CNCT-630 нетто (без двигателя) | кг | 2650 |
| Центральное отверстие | мм | 254Н7 |
| Ширина Т-пазов | мм | 18Н7 |
| Ширина направляющего сухаря | мм | 22Н7 |
| Поворот и наклон | |||
|---|---|---|---|
| Параметр | Ед. изм. | Поворот | Наклон |
| Сервомотор Meldas | НF-354S | НF-354S | |
| Сервомотор Fanuc | a22i | a22i | |
| Сервомотор Siemens | 1FK7101 | 1FK7101 | |
| Сервомотор Heidenhein | QSY155D | QSY155D | |
| Передаточное число | 1:180 | 1:360 | |
| Угол наклона | град | -120…120 | -120…120 |
| Минимальный угол | град | 0,001 | 0,001 |
| Максимальные обороты | об/мин | 11.1 | 5.6 |
| Усилие пневмозажима | кг*м | 350 | 420/800 |
| Усилие гидрозажима | кг*м | 700 | - |
| Точность позиционирования | 15” | 30” | |
| Повторяемость | с | ±4” | |
| Максимальные нагрузки | |||
|---|---|---|---|
| Параметр | Схема | Ед. изм. | Значение |
| Максимальная вертикальная нагрузка | ![]() | кг | W = 300 |
| Максимальная горизонтальная нагрузка | ![]() | кг | W = 500 |
| Максимальное радиальное усилие | ![]() | кг | F = 2080 |
| Максимальное радиальное усилие | ![]() | кг*м | FxL = 800 |
| Максимальное радиальное усилие | ![]() | кг*м | FxL = 390 |
| Максимальная рабочая инерция | ![]() | кг*см*сек2 | 360 |
Комментарии и вопросы:
Комментариев пока нет, но ваш может быть первым.Разметить комментарий или вопрос
Отзывы о CNCT-630:
Отзывов пока нет, но ваш может быть первым.Обозначение GSA используется исключительно для идентификации товаров соответствующего производителя. ООО "Компания "РуСтан" не является правообладателем товарного знака GSA и не аффилировано с правообладателем.










